Sıvı Ölçümü için Magmetrelerde Elektrot Malzemeleri ve Tasarımı
sıvı manyetik akış ölçer tasarımı
Elektrot genellikle boru hattının iç kaplamasından geçer ve sıvıyla temas eder. Elektrot genellikle iç kaplama malzemesinden geçen ve son olarak bir elektrik kablosuyla cıvataya bağlanan bilyalı başlı bir cıvatadır. Elektrotlar ve sıvılar arasındaki temas nedeniyle, elektrot malzemeleri dikkatlice seçilmelidir. Kullanılan malzemelerden bazıları manyetik olmayan paslanmaz çelik (aşındırıcı sıvılar), platin iridyum alaşımı, Monel, tantal, titanyum, zirkonyum (aşındırıcı sıvılar için) ve Hastelloy-C'dir. Paslanmaz çelik ayrıca çamur ölçümünde, seramik kaplama ve elektrot kombinasyonlarında da önerilir.
Kağıt hamuru endüstrisinde manyetik akış ölçer için elektrotlar
Kağıt hamuru ve diğer uygulamalarda, kağıt veya diğer malzemeler elektrotlara çarparak gürültüye neden olabilir. Bir üreticiye göre, elektrotların gözenekli seramiklerle kaplanması bu etkiyi azaltabilir. Bu nedenle
bulamaç akış ölçerlere ihtiyaç vardır. Elektrotlar ile sıvılar arasındaki temas nedeniyle, elektrotları temizlemek için çeşitli yöntemler kullanılmıştır. Bunlar şunlardır:
• Silme (bir kazıyıcı veya fırça elektrotun merkezinden geçerek yüzeyi silebilir) (Rose ve Vass, 1995);
• Eritme (yeterince büyük bir akımla diğer elektronik bağlantıların kesilmesi ve elektrot yüzeyindeki tortuların temizlenmesi);
• Ultrasonik temizleme (temizlik amacına ulaşmak için elektrotları titreştirmek ve lokal kavitasyon oluşturmak için ultrasonik dalgalar kullanılır);
• Mobil elektrotlar;
• Mermi benzeri elektrotlar.
Temiz elektrot seçme yöntemi, tortunun özelliklerine göre belirlenmelidir. Çoğu durumda elektrotlar kendi kendini temizleme eğilimindedir: sıvı elektrottan geçtiğinde tortu kısıtlanır ve cihazın iç yüzeyindeki kaplamanın iletkenliği çoğu sıvınınkinden daha düşük olabilir. Modern DC sistemlerinde, giriş empedansı tortunun etkisini göz ardı edecek kadar büyük olabilir. Ancak yüksek empedans, elektrot sinyalinde termal gürültüye neden olabilir. Dolayısıyla, yüksek empedans sistematik hatanın olmadığı anlamına gelse de, cihazın tekrarlanabilirliği azalacaktır.
Manyetik alan, genellikle bir dizi bobin ve üst üste yerleştirilmiş manyetik boyunduruklar tarafından üretilir. Tipik güç tüketimi eskiden 10-100 W iken, artık 0,5 W'a kadar düşebilmektedir. Uzun ömürlü pillerin kullanılmasıyla birlikte, en düşük güç tüketimi 0,5 W'ın çok altında kalabilmektedir.
AC uyartımının kullanılması sonucunda, bir elektrot ucu ve bir akışkanın birleşiminden oluşan döngüdeki değişen manyetik alan nedeniyle karşılıklı bir endüktans sinyali üretilir. Şekil 7, kötü yapılandırılmış bir ucu ve ortaya çıkan değişen manyetik akıya bağlı bölgeyi göstermektedir. Trafik sinyaline benzer bir sinyal üretmek için bu alanın çok büyük olması gerekmez. Sinyali ortogonaldir (akış sinyalinden 90° faz farkıyla), yaklaşık olarak Ortogonal voltaj ~2πfBA
Bunlar arasında f frekans, B manyetik indüksiyon yoğunluğu ve A manyetik alan yönünde yansıtılan eylem döngüsünün alanıdır. Örneğin, f 50 Hz, B 0,02 T ve A 1 cm2 ise ortogonal voltaj yaklaşık 0,6 mV'tur. Ancak 0,1 m çapındaki bir boru hattında 5 m/s hızla hareket ederek oluşan sinyal 10 mV'tur. Ortogonal voltaj faz açısı 90° sapar ve manyetik devrede demir kaybı olarak tüketilir; bu kayıp mekanik tasarım veya elektronik devrelerle azaltılamaz. DC uyartım kullanımı, manyetik alan belirli bir süre sabit kaldığında akış sinyalini doğrudan ölçerek bu sorunu çözebilir. Ancak, bobin endüktansını hızla aşarak bir manyetik alan oluşturmak ve ardından akış ölçümü için kararlılığı korumak için büyük bir voltaj gerektiren başka sorunlar da vardır.
Bir bileşenin montajı, boru hattının basıncını aşmamalı ve boru hattının sıvı ile dolu olduğundan emin olunmalıdır. Ölçüm borusu bölümü monte edilirken, genellikle elektrot bağlantısı yatay bir düzlemde olmalıdır; böylece boru hattının üst kısmında kabarcıklar oluştuğunda elektrot kısa devre yapmaz.
Ölçüm tüplerinin çoğu paslanmaz çelikten yapılmıştır ve manyetik alanların geçmesine izin verir. Sensörün dayanabileceği maksimum basınç 1000 bardır.
Tasarımda zorlu ve tehlikeli ortamlarda kullanıma yönelik seçenekler de yer almalıdır.
Şekil 6: Manyetik alan bobini ve boyunduruğu

Şekil 7: Manyetik alan ve sinyal kabloları arasındaki ilişki
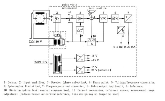
Manyetik akış ölçerin vericileri (ikincil bileşen)
Elektromanyetik akış ölçerlerin vericileri
Günümüzde, birçok tip elektromanyetik akış vericisi,
dijital akış ölçerin gerektirdiği işlevleri yerine getirebilir. En uzun ömürlü iletişim tipi 50 Hz veya 60 Hz'dir. Bunun nedeni, ana güç kaynağının 50 Hz veya 60 Hz olması ve bu frekansta manyetik alan ve akış sinyallerinin de güçlü olmasıdır. Ancak bazı yaygın yeni tasarımlar, farklı modlara sahip düşük frekanslı kare dalgalar kullanır ve bu, akış sinyali toplanmadan önce ortogonal sinyalin zayıflamasına neden olur. Burada belirtilen kare dalga uyarımı (DC uyarımı) tipi, üreticiye bağlı olarak birçok farklı isme sahip olabilir (Brobeil ve ark., 1993). 'DC tipi' terimi dikkatli kullanılmalıdır, çünkü ilk cihazlar DC tipi kullanmış ancak başarısız olmuştur. DC tasarımında, manyetik alan şiddeti nispeten küçüktür, ancak çamurdaki elektronik gürültü ve elektromekanik etkiler AC tasarımındakiyle aynıdır. Bu nedenle, en son tasarlanan DC cihazı, bu sorunu çözmek için özel bir yüksek güçlü güç modülüne sahip olacaktır.
Bonfig vd. (1975) anahtar DC alanı adı verilen ilk başarılı DC tasarımlarından birini tanımladılar. Hafner (1985) gürültü azaltma (aktif ve pasif ekranlama), elektrokimyasal aktivite, amplifikatör periyodik sıfırlama, çoklu sinyal örnekleme, daha yüksek edinim frekansı (123 Hz'e kadar), dijital filtreleme ve akış gürültüsü analiz devrelerinin kullanımı gibi işlevlere sahip anahtarlı DC adı verilen başka bir sistem tanımladılar. Tasarımda düşük enerji tüketiminin kullanılması (1,5 W'a düşürülmüş, küçültülmüş boyut ve ağırlıkla), doğal güvenlik ve pil tahriki gereksinimlerini karşılar. Mikroişlemci kontrolü ayrıca kendi kendini algılama, sıcaklık telafisi, değiştirilebilir birincil ve ikincil araçlar ve etkileşimli işlevler sağlar. Ek olarak, elektrot topraklama ve hava tüpü inceleme işlevleri de sağlar. Herzog vd. (1993) bir çevrimde elektronik referans noktasına sahip anahtarlı DC tasarımlarını incelediler ve kısmen dolu boru hatlarında üçüncü bir elektrotun kullanımını tartıştılar.

Şekil 8: AC Sistem Dönüşüm Devre Şeması
Çıkış sinyali genellikle 0~10mA veya 4~20mA'dir. 1~10m/s akış hızlarında akışkanların tam aralık okumasını karşılamak için iki ila üç aralık ayar düğmesi sağlayabilir. Ancak artık bunların yerini mikroişlemci teknolojisi almıştır. Çıkış sinyali aralığını otomatik olarak ayarlamak için akıllı cihazlar kullanarak dijital iletim işlevine ve daha geniş bir aralığa sahiptir.
Şekil 8, bir AC devresinin tipik blok diyagramını göstermektedir. Demodülatör, referans sinyali üzerinden geçen ortogonal gerilimi ortadan kaldırır ve AC devresi, akış sinyalinin referans sinyaline oranını elde eder.
Şekil 9 (a)'daki blok diyagram, DC sistemlerinde kullanılan tipik bir yöntemdir. Şekil 9 (b)'de görüldüğü gibi, τn, τn+1 ve τn+2 zamanlarındaki örnekleme, elektrokimyasal ve diğer etkilerden kaynaklanan kare dalga sinyalinin temel kaymasını güçlendirir, bu nedenle üç örnekleme noktası kullanmak açıkça mantıklıdır.
Sıfır kayma bazı cihazlarda görülebilir, ancak genellikle zayıftır. Beklenmedik voltajların, özellikle de ortogonal voltajların tamamen bastırılamamasından kaynaklanabilir. Kesme yöntemi düşük akış hızlarında kullanılsa da, DC sistemi şu anda sıfır kayma sorununu çözdüğünü iddia etmektedir, ancak bunu doğrulamak zordur. Düşük trafik kesmesi genellikle üst sınır aralığının %1'i (Ginesi ve Annarummo, 1994) veya daha düşük bir değerle sınırlıdır.
Dönüştürücünün genel belirsizliği, geniş bir ana voltaj aralığı, ortogonal sinyaller, sıcaklık dalgalanmaları vb. için %0,2'dir. Ayrıca düşük hassasiyetle mikro akış sinyallerini de ölçebilir.

Şekil 9: DC sistemi için verici devresinin şematik diyagramı
(a) Rota; (b) Ölçüm sinyali
Ticari manyetik akış ölçer dönüştürücüler şunları sağlayacaktır:
- Talimat yanıt süresi 0,1 sn'dir;
- Menzil oranı: maksimum 1000:1;
- Debi aralığı: 0,005~113000 m³/h aralığı;
- Birim darbe aşırı akım hacmi: 0,01~10L/darbe.
Üreticinin sağladığı özellikler şunlardır:
- Sensörlerin güç beslemesi ve sinyal iletimi için doğal güvenliği olan iki fazlı kablolar kullanılmaktadır;
- Analog sinyalleri haberleşme yoluyla modüle ederek dijital sinyal iletimini gerçekleştirmek;
- Bileşenler arası koruma, dönüştürücüler için IP65 koruması;
- Çift frekans (bkz. Şekil 10) hem yüksek hem de düşük frekanslar için faydalıdır: frekans birleştirmeden önce sinyallerin ayrı ayrı işlenmesi düşük akış kararlılığı ve düşük gürültü ile sonuçlanacaktır;

Şekil 10: Çift frekanslı çalışma devresinin şematik diyagramı
(Yokogawa Europe BV tarafından yetkili referans)
- Parazitsiz iletim;
- Tespit verilerini kendi kendine kontrol et veya arttır;
- Hava trafiğinin durumunu algılamak ve alarm çalmak için elektrotlar kullanan hava trafiği dedektörü (Ginesi ve Annarummo, 1994);
- Topraklama elektrodu;
- Ana elektrot kontaminasyon tespiti;
- Uygun devreleri kullanarak çift yönlü akışkanı ölçün;
- Otomatik aralık ayarı.
Uygulamaya özgü entegre devreler (ASIC'ler), akışkan ters akışını ve diğer arızaları tespit etmek için otomatik denetim sistemleri, alarmlar, çift aralık ve bazı arayüz iletişimleri gibi işlevler sağlayabilir (Vass, 1996).
Manyetik akış ölçer Kalibrasyonu ve çalışması
SHD serisi Elektromanyetik akış ölçer kalibrasyon atölyesi
Debimetre üretim sürecinde cihazlar arasındaki farklılıklar nedeniyle, elektromanyetik debimetrelerin kalibre edilmesi gerekir ve bu genellikle debimetre üreticisi tarafından yapılır. Örneğin, bir manyetik debimetre üreticisi, genellikle ıslak kalibrasyon olarak adlandırılan 13 kalibrasyon noktasına sahip standart bir cihaz sağlar. Kuru kalibrasyon, akışkan sinyallerini elde etmek için manyetik alanların ölçülmesiyle elektromanyetik debimetrelerin kalibrasyonunu ifade eder. Belirli bir noktadaki manyetik alan ile cihazın tüm aralıkları arasındaki ilişki, denklem (12.2) kadar basit değildir; bu da mevcut herhangi bir kuru kalibrasyonun dikkatli bir şekilde ele alınması gerektiği anlamına gelir.
Elektromanyetik akış ölçerin çalışması, akışkanın iletkenliğinden etkilenmemelidir, bu nedenle akışkanın iletkenliği akış ölçerin tüm alanı boyunca aynı olmalıdır. İletkenliğin, birincil bileşenin çıkış empedansını ikincil bileşenin giriş empedansından en az iki büyüklük sırası daha küçük yapacak kadar büyük olduğu varsayıldığında. Dahası, iletkenlikteki önemli değişiklikler AC elektromanyetik akış ölçerlerde sıfır noktası hatalarına neden olabilir. Bazı kişiler DC darbe tipinin belirli bir eşiğin üzerindeki iletkenlik değişikliklerinden etkilenmediğine inansa da (Ginesi ve Annarummo, 1994), bir üretici hala karşıt görüşü savunarak AC tipinin çift yönlü akış, çamur, düşük iletkenliğe sahip akışkanlar ve iletkenliği hızla değişen düzensiz akışları ölçmek için kullanılması gerektiğine inanmaktadır. Her neyse, DC tipinin sürekli gelişimi, yukarıdaki durumlar için de aynı derecede uygun olmasını sağlayacaktır.
Bir bileşenin çıkış empedansı yaklaşık olarak şu şekilde ifade edilebilir:
R≈1/dσ(Ω)
Burada d elektrotun çapı ve σ iletkenliktir.
0,01 m elektrot çapına sahip bir aletin tipik empedansı, Tablo 2'de gösterildiği gibi denklem (3)'ten elde edilebilir.
|
Table2
Output resistance of instrument measuring tube
with electrode diameter of 0.01m
|
|
Liquid conductivity
|
Resistance
|
|
S/m
|
μS/ cm
|
Ω
|
|
The best electrolyte
|
About 10²
|
About 10⁶
|
1
|
|
Seawater
|
About 4
|
About 4×10⁴
|
25
|
|
Tap-water
|
About 10⁻²
|
About 10²
|
10000
|
|
Pure water
|
4×10⁻⁶
|
4×10⁻²
|
25 000 000
|
Giriş empedansı 20 × 10⁶/Ω olan tipik bir ikincil bileşen, Tablo 2'deki ilk üç akışkanın iletkenliğine eşleşebilir, ancak sonuncusuna eşleşemez. Üreticiler, belirli boyutlardaki cihazlar için minimum iletkenlik değerini sınırlar. Örneğin, çapı 25~100 mm olan elektrotlar için 20 μS/cm kadar düşük bir iletkenlik kabul edilebilir, ancak en az bir üretici 0,05 μS/cm'lik bir iletkenlik azaltımı sağlayabilir.
Elektriksel sürekliliğin ve iletkenlik düzgünlüğünün bozulması ve ölçülen nesnenin belirsizliği nedeniyle, akışkanda gaz bulunması hatalara neden olur. Debimetreler, bu faktörlerin göz ardı edilebileceği koşullarda çalıştırılmalıdır.

Manyetik akış ölçer deniz suyu akış hızını ölçüyor
Elektromanyetik akış ölçer nerelerde kullanılır?
Elektromanyetik akış ölçerler, sıvı akış ölçümünde yaygın olarak kullanılır. Herhangi bir iletken sıvı için son derece uygundur ve uygulamalarında neredeyse her zaman başarılıdır. Bir endüstri uzmanı, karşılaştığı tek sorunun kristalize pudra şekeri ölçümü olduğunu ve başarısızlığın nedeninin akışkan sorunları veya uyumsuzluk olabileceğini söylemişti. Sürekli bileşenlerin iletken olması gereken iki fazlı veya çok fazlı akışı ölçmek için kullanıldığında, sinyal o bileşenin hızı tarafından üretilir. Sıvı metallere uygulandığında ise fiziksel prensipleri daha karmaşık hale gelecektir.

Magmeter her türlü iletken sıvı için son derece uygundur
Elektromanyetik akış ölçerlerin uygulamaları arasında viskoz akışkanlar, aşındırıcı kimyasallar, aşındırıcı bulamaçlar ve başlatma ve durdurma özelliğine sahip işletme akışkanları bulunur; ancak akış borusu dolu olmalıdır (bazı üreticiler, dolu olmayan boru akışını ölçebilen modeller sunmaktadır) ve elektrotlar kabarcıklar nedeniyle kısa devre yapmamalıdır (Ginesi ve Annarummo, 1994). Mümkünse, ölçüm hattı bu sırada yukarı doğru akmalıdır. Yatay bir boru hattı ise, elektrot yatay çap yönünde olmalıdır. Cihaz boru hattında daha düşük bir konuma monte edilirse, elektrotlara çamur veya diğer akışkanların yapışma olasılığı izlenmelidir. Bağlantı parçaları, akışkan özelliklerinden farklı bir iletkenliğe sahiptir ve cihazın iç çapını ve uzunluğunu değiştirmek için kısmen iletken bir tabaka oluşturabilir. Cihazın hızı 2~3 m/s'nin üzerinde tutulursa, tortulaşma olasılığı azalacaktır. Konik elektrotlar da tortulaşmayı azaltabilir ve elektrot temizleme sistemleri kullanılabilir. Newtonyen olmayan akışkanlar tepkiyi değiştirebilir. Aşınmaya dayanıklı çamur, boru hatlarındaki kıvrımların yakınında astar aşınmasına neden olabilir ve boru hattı koruması aşınmayı azaltabilir. Temizlik için kullanılan sıvı, çalışma sıvısıyla uyumlu olmalıdır. Katkı maddeleri de iletkenliğin dengesiz olmasına neden olabilir.
Manyetik akış ölçer aşındırıcı sıvıyı ölçüyor İletişim teşvik teknolojisi, büyük miktarda gaz taşıyan çamur uygulamalarının ölçümü için bir kez daha uygun hale geldi. Bu çamur, düzensiz boyutlarda çok miktarda katı parçacık veya çamur topakları oluşturma eğilimi ile birlikte titreşimli bir akışa sahip, düzensiz bir yapıya sahiptir. Hamur ve harç da dahil olmak üzere endüstriyel akışların yaklaşık %15'inde bu durum söz konusudur. Bu uygulamalarda, DC darbe teknolojisi, AC teknolojisinin yerini almak için giderek önemli bir tercih haline gelmiştir.
Yeni akış ölçerde radyo frekansı paraziti (RFI) etkileri ortadan kaldırılacak. Üreticinin talimatlarına göre, sinyal kabloları korumalı ve topraklanmış olmalıdır. Rose ve Vass (1995), elektromanyetik akış ölçer teknolojisinin daha zorlu endüstriyel süreçlerde uygulanmasını ele almıştır:
Kimyasal:
· asit,
alkali ,
polimer , losyon ve kauçuk çözeltisi
İlaç:
· sprey kaplama, baharat, tıbbi ve sağlık ürünleri
Madencilik ve mineral:
· demir cevheri bulamacı, pirit, manyetit, pirit, bakır, alümina
Yiyecek ve içecekler:
· bira, soda, diş macunu, süt, dondurma, şeker,
meyve suyu Su ve atık:
· su,
atık su , kanalizasyon, çamur, sindirim sıvıları

Magmeter ile ölçülen atık su akışı
Kağıt hamuru ve kağıt:
· siyah beyaz sıvılar, kahverengi hammaddeler, ağartıcı kimyasallar, katkı maddeleri
Nükleer yakıt işleme tesisi:
·radyoaktif ve radyoaktif olmayan akışkanlar (Finlayson, 1992)
Uygulamalara ilişkin son literatür raporları şunları içerir:
·Sıvı kurşun bizmut akışındaki sorunların çözümünde kullanılabilir (Kondo ve Takahashi, 2005);
·Pompanın performansını izleyin (Anon, 2002);
·Kapasitif elektrotlar kullanılarak bulamaç akışının ölçülmesi (Okada ve diğerleri, 2003);
·Atık suyun izlenmesi (Kwietniewski ve Mizstka Kruk, 2005);
·Sürekli çöp bertarafı: arıtma boruları, üfleme boruları ve geri dönüşüm boruları (Okada ve Nishimura, 2000);
·Delme akışı (Arnold ve Molz, 2000);
·Alkilat ve sülfürik asit üretiminin hassas ölçümü (Dunn ve diğerleri, 2003).
Bu listeye cüruf, çimento, bulamaç (aşındırıcı), fırın şarj reaktifleri ve ultra düşük hız, işlemsel taşıma, buhar izlemeli sıvılar, yüksek fırın sıvıları, partileme ve aşındırıcı sıvılar gibi özel uygulamalar da eklenmesi gerekebilir.
Yüksek frekanslı ölçüm koşullarında (saniyede 120 ölçüm), AC akış ölçerler pompaların darbe akış hızını ölçebilir.
Bazı üreticiler, süt ölçümü için 2-25 mm boyutlarında elektromanyetik akış ölçerler sunmaktadır. Üreticiler ayrıca, hijyen ve günlük kimyasal ürünlerde kullanılmak üzere kendi özel boyutlu cihazlarını da tedarik etmektedir. Bu cihazlar, %0,2'ye varan tekrarlanabilirlik oranıyla yüksek hızlı seri üretim süreçlerinde kullanılabilir.
Elektromanyetik akış ölçer kullanmanın avantajları nelerdir?
1. Teori, elektromanyetik akış ölçerlerin tepkisinin doğrusal olduğunu (farklı akış hızı dağılımlarının etkisi hariç) ve cihazın sıfır akış gösterememesinin tek nedeninin sıfır kayma olduğunu öne sürmektedir. Bu, böyle bir işlevi gerçekleştirebilen az sayıdaki cihazdan biridir, ancak sıfır kayma hala gözlemlenebildiği için haksız yere yargılanmıştır. Modern tasarımlar, bu sorunu önlemek için genellikle düşük akış aralığı kesintisi kullanır.
2. Durdurulamaz akış en değerli olanıdır, özellikle akışkan katı maddeler içeriyorsa veya engellerden geçerken akış kanalına zarar verebilir.
Manyetik akış ölçer Tam delikli tasarım, durdurulamaz akış sağlar
3. Hareketli parçası yoktur.
4. Yukarı akış boru bileşenlerinin hassasiyeti diğer akış ölçerlerle karşılaştırılabilir, ancak hacimsel akış ölçerlerden,
Coriolis akış ölçerlerden veya iki veya daha fazla ses ışınına sahip
ultrasonik akış ölçerlerden daha zayıftır.
Elektromanyetik akış ölçerlerin kullanımının dezavantajları nelerdir?
Başlıca dezavantajı, iletken sıvıların ölçümüyle sınırlı olmasıdır. Laboratuvarda iletken olmayan sıvılar (trafo yağı veya dizel) için tasarımlar bulunsa da, bu konuda yalnızca bir veya iki ticari tasarım denenmiştir.
Bir süre, bazı kişiler yukarı akıştaki bozulmalara duyarlılığın bir zayıflık olduğuna inandı, ancak bu, güçlü yönlerinden biri olabilir. Elektromanyetik akış ölçerlerle karşılaştırıldığında, yalnızca birkaç akış ölçer, çalışma sırasında yukarı akış hızı dağılımından daha az etkilenir. Sıkça bahsedilen bir diğer dezavantaj ise sıfır kaymadır; çünkü ilk tasarımların son derece düşük akış hızlarında önemli hatalar ürettiği tespit edilmiştir. Bir kez daha belirtmek gerekir ki, hiçbir akış ölçer, aralığın dışında veya mümkün olandan daha düşük akış hızlarında kullanılamaz. Nitekim, en az bir ticari elektromanyetik akış ölçer, 1000:1'lik bir aralık oranı iddia etmektedir.