SILVER AUTOMATION INSTRUMENTS LTD.
Ürün Kategorisi

48 Kanallı Kağıtsız Kayıt Cihazları

48 Kanallı Kağıtsız Kayıt Cihazları

Max 48 channels universal inputs
10.4 inch TFT color LCD display
In stock fast delivery
E-thernet or SD card options
Not find what you need or not sure what you choose?
Email us: sales@silverinstruments.com
Whatsapp: +86 18936759191

Bu makalede, 48 kanallı kağıtsız kayıt cihazının temel prensipleri, yazılım ve donanım mimarisi, ayrıca renkli kağıtsız kayıt cihazının belirli temel teknik süreçleri için tasarım kavramları ve yöntemleri tanıtılmaktadır. Son olarak, 48 kanallı dijital kayıt cihazlarının temel performans göstergeleri sunulmaktadır.

48 kanallı renkli kağıtsız kayıt cihazı, güçlü işlevsellik ve mükemmel gerçek zamanlı performans sunan, çoklu mikroişlemci ağından oluşan yeni nesil bir kayıt cihazıdır.

48 kanallı kağıtsız kayıt cihazının temel özellikleri:

  • Standart voltaj, akım, termokupl ve RTD sinyalleri için maksimum 48 kanallı evrensel giriş, kurulumu ve kalibrasyonu kolaylaştırır.
48 channels chartless recorder accept signal types
48 kanallı çizelgesiz kayıt cihazı sinyal türlerini kabul eder
  • Gelişmiş A/D dönüştürme ve kendi kendini kalibrasyon teknolojileri, sıcaklık ve zaman kaymasına karşı direnci artırırken, zorlu ortamlarda paraziti etkili bir şekilde filtreler.
  • Kısa süreli veri erişimi ile uzun süreli veri depolama arasında denge sağlamak için güç kesintisi korumasına sahip büyük kapasiteli RAM (1MB) ve SD depolama kartlarının (128MB–1GB) birleşimi.
  • 10,4 inç TFT gerçek renkli LCD ekran, görüntüleme yeteneklerini önemli ölçüde genişletiyor.
  • Kolay izleme için mühendislik birimleri, çubuk grafikler ve trend eğrileri dahil olmak üzere birden fazla görüntüleme moduna sahip, kullanıcı dostu arayüz.
  • Sistem yapılandırması için esnek 5 seviyeli İngilizce menü, parametre ayarları için şifre koruması.
  • RS-232/RS-485 haberleşme arayüzleri, PC veri değişimini, ana bilgisayar yapılandırmasını ve gerçek zamanlı veri ve alarm durumu yazdırma için mini seri yazıcılara bağlantıyı sağlar.
  • Gelişmiş EMI direnci, kolay kurulum ve estetik, pratik tasarım için özel alüminyum alaşımlı kasa.
Widely applications of color paperless recorders
Renkli kağıtsız kayıt cihazlarının yaygın uygulamaları

48 kanallı panel kaydedici, kimya, metalurji, petrol ve diğer endüstrilerde yaygın olarak kullanılabilir ve endüstriyel proses parametrelerinin örneklenmesini, izlenmesini, analizini ve depolanmasını sağlar. Geleneksel mekanik grafik kaydedicilerle karşılaştırıldığında, grafik kaydedici kağıt sıkışması, mürekkep sızıntısı, karmaşık mekanik yapılar, yüksek bakım maliyetleri ve sınırlı işlevsellik gibi sorunları ortadan kaldırarak, 48 kanallı evrensel kaydediciyi endüstriyel otomasyon için ideal bir yeni nesil cihaz haline getirir.

Paper Recorder
Kağıt Kaydedici

48 kanallı veri kaydedicinin çalışma prensibi

Kanal kartı, her analog giriş sinyalinde örnekleme ve amplifikasyon gerçekleştirir, ardından bunu A/D dönüştürme modülüne iletir. Sinyal, A/D dönüştürücü tarafından dijital bir değere dönüştürülür, dijital filtrelemeden geçirilir ve veri depolama alanında saklanır. Kanal kartı CPU'su, ölçüm verilerini aktarmak için her 0,2 saniyede bir ana kart CPU'su ile iletişim kurar. Ana kart, verileri mühendislik değerlerine veya uydurma eğrilerine (ekran koordinatlarına karşılık gelen) dönüştürerek işler ve bilgileri farklı ekranlarda görüntüler. CPU, ölçüm değerlerini hem RAM'de (geçici gerçek zamanlı depolama) hem de Flash bellek kartında (uzun süreli veri saklama) depolar. Sistem, yüksek/düşük limit alarm kontrolleri gerçekleştirir ve alarm yapılandırma ayarlarına göre röle kontakları aracılığıyla alarm durumunu çıkış olarak verir.

CPU, veri yolu üzerinden klavye işlem komutlarını alır ve bu komutlara göre ilgili işlemleri ve görüntülemeyi gerçekleştirir. Tüm yapılandırma parametreleri EEPROM'da saklanır. Yazdırma ayarlarına göre, CPU ilgili verileri yazdırma için RS-232 iletişim arayüzü aracılığıyla yazıcıya iletir.

48 kanallı veri kaydedicinin donanım yapısı

48 kanallı grafik kayıt cihazı altı ana bileşenden oluşur: ana kart, kanal kartı, ekran, klavye, hafıza kartı, röle çıkış kartı, iletişim kartı ve güç kaynağı. Bu bileşenler, Şekil 1'de gösterildiği gibi, şerit kablolar ve veri yolu yuvaları aracılığıyla birbirine bağlanır.

1. Ekran Görüntüsü

48 kanal girişli dijital grafik kayıt cihazı, 128 renk görüntüleme kapasitesine sahip, 800x600 piksel çözünürlüğe sahip nokta vuruşlu renkli LCD ekrana sahiptir. Bu sayede İngilizce karakterler, grafikler ve tablolar görüntülenebilir.

48 channels Paperless recorder has multiple display modes
48 kanallı Kağıtsız kaydedicinin birden fazla görüntüleme modu vardır

2. Ana Kart

Main board of 48 channels electronic recorders
48 kanallı elektronik kayıt cihazlarının ana kartı

Ana kart temel olarak bir mikrodenetleyici sistemi ve bir sinyal anahtarlama ünitesinden oluşmaktadır.

main board structure
Şekil 1: Donanım Yapısı

2.1 Sistem Mikrodenetleyicisi

Sistem, sinyal ölçümü, hesaplama, ekran görüntüleme, alarm çıkışı ve iletişim işlevlerini gerçekleştirmek için 8 bitlik mikrodenetleyiciler (80C32 ve 80C31) kullanmaktadır. Önemli unsurlar şunlardır: CPU, EPROM, RAM WDT (Watchdog Timer), Gerçek Zamanlı Saat (RTC).

Planlanmamış elektrik kesintileri veya kapanmalar sırasında, güç kesintisi korumasına sahip RAM, dahili ayarların ve kayıtlı verilerin kaybolmasına karşı koruma sağlar. Panel dijital kayıt cihazının düzgün çalışması için önemli veri ve iletişim parametrelerinin korunması gerekir.

WDT, dış müdahalelerden kaynaklanan sistem çökmelerini önler. WDT, müdahale nedeniyle CPU veya EPROM'un arızalanması durumunda, önceden belirlenmiş bir zaman dilimi içinde CPU'yu sıfırlayarak kesintisiz çalışmayı sağlar.

48 kanallı kayıt cihazının gerçek zamanlı zamanlaması RTC tarafından sağlanır. Dahili zamanlayıcılara artık gerek kalmaz ve CPU'nun kaynak tüketimi büyük ölçüde azalır, çünkü saat verilerini görüntülemek için yalnızca periyodik olarak okuması yeterlidir. Gerçek zamanlı saat işlevselliğini korumak ve elektrik kesintisi veya kapanma durumunda RAM verilerini korumak için RTC çipinde entegre bir lityum pil bulunur.

Bu parametreler arasında kalibrasyon verileri, sinyal türü, ölçüm aralığı (üst/alt sınırlar), mühendislik birimleri, veri kayıt aralıkları ve alarm eşikleri yer alır. Çipin iki kablolu arayüzü (I²C), sistem kaynak tüketimini en aza indirir.

2.2 Röle Kontrol Ünitesi

Röle kontrol ünitesi, alarm çıkış durumuna göre röleler için anahtarlama sinyalleri üretir.

3. Kanal Panosu

48 kanallı veri kaydedici, standart analog sinyallerin yanı sıra termokupl ve RTD sinyallerini de kabul ettiğinden, ana ünite bir dizi sinyal işleme işlevini yerine getirmelidir: Mikrodenetleyici kontrollü çoklayıcı anahtarlama, Milivolt sinyal yükseltme, A/D dönüştürme, Dönüştürülen verilerin (aritmetik ortalama) belirlenmiş mikrodenetleyici belleğinde depolanması.

Mikrodenetleyici sistemi kanal kartıyla periyodik olarak iletişim kurar, komutlar gönderir ve örneklenmiş verileri alır, kanallar arası izolasyonu korur.

4. Güç Kaynağı Devresi

48 kanallı kayıt cihazı, gelişmiş dönüşüm verimliliği ve düşük güç tüketimi için düşük voltajlı anahtarlama güç kaynağı kullanır. Devre, farklı endüstriyel ortamlara uyum sağlamak için 220V AC, 50Hz veya 24V DC akımlarını destekler. Lütfen silverinstruments.com'dan 48 kanallı kayıt cihazı sipariş ederken ana güç kaynağı talebinizi belirtin.

5. Muhafaza

280 mm × 280 mm panel kesit ölçüsüne sahip, özel alüminyum alaşımlı profillerden üretilmiştir.

48 channels digital recorder dimensions


48 kanallı dijital kayıt cihazı boyutları

48 kanallı evrensel kayıt cihazının temel teknolojileri

1. Evrensel Sinyal Girişi:

Kaydedici, evrensel sinyal girişini şu yollarla gerçekleştirir: Arka terminal kablolaması, DIP anahtar ayarları, Sistem menüsü yapılandırması. Çalışma Prensibi (Bkz. Şekil 2):
Principle of universal signal input
Şekil 2: Evrensel sinyal girişinin ilkesi

Anahtar durumları (S1/S2) yapılandırması:Termokupl sinyalleri: S2 açık, S1 kapalı;Standart sinyaller: S1 açık, S2 kapalı;RTD sinyalleri: Hem S1 hem de S2 açık.

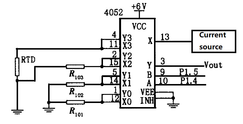
2. RTD Örneklemesi

Cihaz, RTD örneklemesi sırasında kanal seçimi için analog anahtarlar kullanır. Analog anahtarlardaki bilinmeyen ve değişken dirençleri telafi etmek için: Devre Tasarım Çözümü (Bkz. Şekil 3):

Thermistor sampling circuit
Şekil 3: Termistör örnekleme devresi

  • R101/R102, RTD'nin üst/alt direnç sınırlarını temsil eder
  • Akım kaynağı RTD/referans direnci boyunca voltaj üretir
  • Y terminalindeki gerilim ölçümü, anahtar direnci etkilerini ortadan kaldırır
  • Hassasiyet, ön anahtarlama voltajının ölçülmesiyle sağlanır

48 kanallı kağıtsız kayıt cihazının teknik özellikleri

Temel hata: ±0,2%;
Tarihsel oynatma hatası: ±0.1%;;
Alarm hatası: ±0,1%;
Tekrarlanabilirlik hatası: %0,1;
Alarm tekrarlanabilirlik hatası: %0,1;
Seri arayüz: RS-232;
Güç kaynağı: AC 220V ±%15 veya DC 24V.

Sonuç olarak

48 evrensel kanal girişine sahip renkli kağıtsız kayıt cihazı, geniş uygulama alanı, kullanıcı dostu ekran kullanımı, yüksek doğruluk ve güvenilir çalışma ve güçlü işlevsellik gibi mükemmel özelliklere sahiptir ve geleneksel kağıt veya mürekkep kayıt cihazlarını çok geride bırakır. Elektronik kayıt cihazı, petrol, kimya, gıda işleme, su temini ve atık su arıtma gibi çeşitli endüstrilerde proses parametresi ölçümü ve kaydı için idealdir. Silverinstruments.com'dan alınan şaşırtıcı performansı ve düşük fiyatıyla, bu gelişmiş panel kayıt cihazının otomatik üretim süreçlerinde giderek daha önemli hale gelmesi bekleniyor.

48 kanallı kağıtsız kayıt cihazı fabrika fiyatını almak için silverinstruments.com'a hoş geldiniz.

Mesaj bırakın Bize e-posta gönderin

24 saat içinde size geri döneceğiz.

Send us an email Email whatsapp WA
Inquiry Inquiry
Let's chat on WhatsApp ×
Hello, welcome to silverinstruments.com, can I help you ?